HONOVAC/鸿诺低压进给型多级真空发生泵HVG5010系列 大流量大吸力
产品命名


产品特点
HONNOR HVG5 系列大流量气动真空泵 设计要点:
HONNOR 的 HVG 系列,内置 COAX 技术的高效真空管,采用专
利防拆结构,在方便
安装的同时,有效防止误拆导致的真空失效。
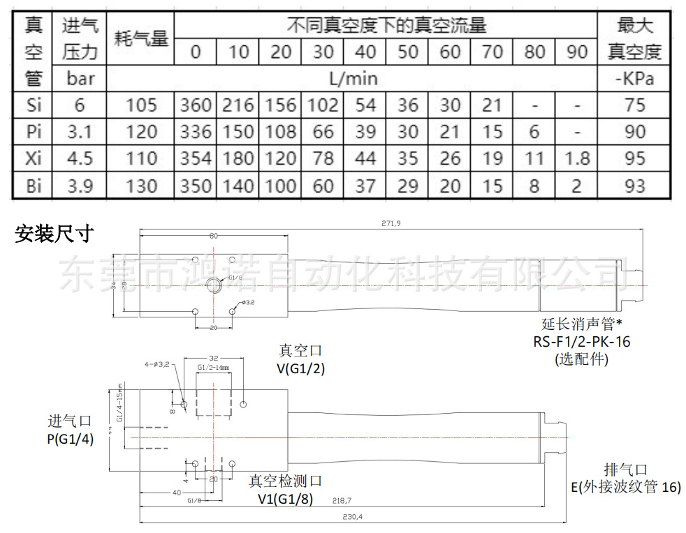
根据不同的使用场景,配合不同的 COAX 管,实现大吸力(DSi),
低进给(Pi),
高真空(Xi),节能(Bi)等不同的应用场景。
材料采用优质阳极铝,更加耐用
预留电控一体式解决方案,可以实现电控进气和真空破坏的混
合连接方式。
HONNOR HVG5 系列大流量真空泵单元特点:
1、一体化防拆设计;
2、内置真空单元可更换;
3、多种安装形式;
4、预留真空破坏和电控拓展连接。
5、可拓展的消声器模块;
6、排气管路外延长连接,满足洁净空间的要求。
效率更高,性能更稳定,经久耐用
产品图片
在线客服
企业微信










